在工業自動化控制系統中,一入三出信號隔離器扮演著關鍵角色。它能夠將一路輸入信號(如電流、電壓)進行隔離、轉換,并分配至三路獨立輸出,有效解決信號干擾、地環流等問題,提升系統穩定性和可靠性。
對于工程師和采購人員而言,選擇可靠的廠家至關重要。本文將深入解析一入三出信號隔離器廠家有哪家,并提供詳細的產品信息與選型指南。

一、一入三出信號隔離器概述
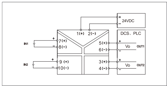
一入三出信號隔離器是一種多通道信號處理設備,廣泛應用于石油、化工、電力、冶金等行業的DCS、PLC系統中。其核心功能包括:
- 信號隔離:實現輸入、輸出及電源之間的三端隔離,抑制共模和串模干擾。
- 信號轉換:將不同類型的模擬信號(如4-20mA、0-10V等)進行線性轉換。
- 信號分配:將單路輸入信號復制并分配到三路輸出,滿足多點監控或控制需求。
選擇這類產品時,需關注精度、響應時間、隔離強度、通道配置等關鍵參數。下面,我們將為您推薦多家優質廠家。
二、品牌推薦
作為國內領先的工業自動化品牌,聯測在信號隔離領域擁有深厚的技術積累和豐富的產品線。其一入三出信號隔離器以高精度、高可靠性著稱,以下是聯測在售的典型產品型號及參數明細。
1. 聯測 SIN-1003T 一入三出電流/電壓隔離器
(注:此為基于聯測技術平臺的典型型號,具體型號可根據需求定制)
|
參數類別 |
詳細規格 |
|
輸入信號 |
直流電流:4~20mA、0~20mA;直流電壓:0~5V、1~5V、0~10V等 |
|
輸出信號 |
三路獨立輸出,每路可選:4~20mA、0~20mA、1~5V、0~5V、0~10V等(支持有源/無源) |
|
供電電源 |
DC 20~35 V(典型值24VDC) |
|
安裝方式 |
35mm DIN 導軌安裝 |
|
精度等級 |
±0.1% F.S.(在25℃±2℃環境下) |
|
絕緣強度 |
1500 Vrms(1分鐘,無擊穿飛弧) |
|
溫度漂移 |
≤40 ppm/℃ |
|
負載能力 |
電流輸出:負載電阻 ≤ 550 Ω;電壓輸出:負載電阻 ≥ 1 MΩ |
|
響應時間 |
≤2 ms(電流信號) |
|
工作溫度 |
-20℃ ~ +60℃ |
|
相對濕度 |
25% ~ 85% RH(無冷凝) |
|
外殼材質 |
阻燃材質(UL94 V-1),防護等級 IP20 |
產品特點:
- 高精度與穩定性:采用數字化調校技術,線性度達0.1%,長期運行穩定性好。
- 三端隔離設計:輸入、輸出、電源之間完全隔離,抗干擾能力強,適用于復雜工業環境。
- 靈活輸出配置:三路輸出可獨立設定信號類型,滿足多樣化的系統集成需求。
- 緊湊結構:13mm超薄設計,節省導軌空間,支持高密度安裝。
- 安全可靠:配電輸出帶限流保護,外殼阻燃,符合工業安全標準。
聯測的產品在重大工程項目中應用廣泛,其技術支持和售后服務網絡完善,為用戶提供可靠保障。如需具體型號數據表,可訪問聯測官方網站或聯系技術支持。
三、其他優質品牌
1. 國外品牌
- 西門子(Siemens):作為全球工業自動化巨頭,西門子提供全面的信號隔離解決方案。其產品以高電磁兼容性、模塊化設計聞名,廣泛用于高端制造和過程自動化領域。雖然價格較高,但品牌信譽和全球服務網絡是其突出優勢。
- 艾默生(Emerson):艾默生在過程控制領域擁有深厚積淀,其信號隔離器注重智能化和網絡集成能力,常與DeltaV等控制系統配套。產品在石化、電力行業有大量成功案例,以可靠性和長期穩定性著稱。
- 菲尼克斯電氣(Phoenix Contact):德國品牌,以電氣連接和電子接口技術見長。其信號隔離器設計緊湊,支持多種信號類型,并強調易于安裝和維護。在機械設備、能源行業中用戶口碑良好。
2. 國內品牌
- 浙江中控:國內自動化領域的領先企業,產品線覆蓋控制閥、儀表及信號處理設備。其信號隔離器性價比高,適用于中小型項目,在國內市場占有率較高。
- 北京和利時:專注于工業自動化和智能制造,提供從傳感器到控制系統的完整解決方案。信號隔離器產品注重實用性和環境適應性,在電力、交通行業應用廣泛。
- 上海自動化儀表:老牌國企,在傳統工業儀表領域根基深厚。產品穩定可靠,服務網絡覆蓋全國,適合對成本敏感且要求基本性能的項目。
FAQ
Q1:如何選擇一入三出信號隔離器的精度等級?
A:精度等級直接影響信號傳輸的準確性。對于大多數過程控制應用(如溫度、壓力監控),0.1% F.S.的精度已足夠;高精度測量場合(如計量、校準)可考慮0.05%或更高。同時,需注意溫度漂移參數,確保在工作溫度范圍內精度穩定。聯測等品牌的產品通常提供多檔精度選項,可根據實際需求選型。
Q2:安裝一入三出信號隔離器時有哪些注意事項?
A:安裝時需注意以下幾點:
- 電源匹配:確保供電電壓在設備允許范圍內(如DC 20-35V),極性正確,避免反接。
- 接線規范:使用截面0.5-2.5 mm²的電纜,遠離強電磁干擾源(如電機、變頻器),推薦采用屏蔽線并單端接地。
- 散熱與環境:盡可能垂直安裝于DIN導軌,保證通風;工作環境應清潔干燥,避免冷凝、腐蝕性氣體。
- 功能測試:上電后,使用信號源和萬用表驗證各通道輸入輸出對應關系,確保配置正確。

